型号:AD2187YP
连接方式:对夹连接
适用温度:-15℃~450℃
阀体材质:铸铁、碳钢、不锈钢
密封材质:PTFE(耐温200℃)、RFE(耐温150℃)
适用介质:水、液体、气体、无杂质干净的场合
产品特点
玮控气动双偏心蝶阀也叫做高性能蝶阀,可高频次开关动作。双偏心蝶阀结构阀杆即偏离蝶板中心,也偏离本体中心。减少了蝶板上下端和阀座的过度挤压。
1. 双向密封双向承压,密封性好
2. 阀座为弹簧压紧,可自行更换阀座
3. 气缸执行器为挤压高强度铝质为缸体,内外表面做细磨精加工处理和硬质阳极化处理,外表光亮美观、双活塞齿轮齿条式设计,结构紧凑,开关速度快,摩擦系数小,使用寿命长。
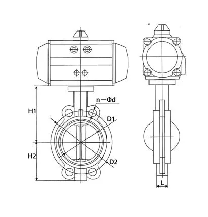
产品尺寸图

主要外形连接尺寸
|
公称通径 DN (mm) |
主要外形连接尺寸 |
法兰尺寸和螺栓孔尺寸 |
|||||||||||||||
|
L |
H |
H1 |
A |
B |
0.6MPa |
1.0MPa |
1.6MPa |
||||||||||
|
D |
D1 |
D2 |
n-d |
D |
D1 |
D2 |
n-d |
D |
D1 |
D2 |
n-d |
||||||
|
50 |
108 |
82.5 |
338 |
180 |
65 |
140 |
110 |
88 |
4-14 |
185 |
125 |
99 |
4-18 |
165 |
125 |
99 |
4-18 |
|
65 |
112 |
92.5 |
358 |
180 |
65 |
160 |
130 |
108 |
4-14 |
185 |
145 |
118 |
4-18 |
185 |
145 |
118 |
4-18 |
|
80 |
114 |
100 |
413 |
245 |
72 |
190 |
150 |
124 |
4-18 |
200 |
160 |
132 |
8-18 |
200 |
160 |
132 |
8-18 |
|
100 |
127 |
110 |
428 |
240 |
72 |
210 |
170 |
144 |
4-18 |
220 |
180 |
156 |
8-18 |
220 |
180 |
156 |
8-18 |
|
125 |
140 |
125 |
444 |
240 |
72 |
240 |
20 |
174 |
8-18 |
250 |
210 |
184 |
8-18 |
250 |
210 |
184 |
8-18 |
|
150 |
140 |
142.5 |
553 |
350 |
93 |
265 |
225 |
199 |
8-18 |
285 |
240 |
211 |
8-22 |
285 |
240 |
211 |
8-22 |
|
200 |
152 |
170 |
678 |
350 |
93 |
320 |
280 |
254 |
8-18 |
340 |
295 |
266 |
8-22 |
340 |
295 |
266 |
12-22 |
|
250 |
165 |
192.5 |
742 |
550 |
350 |
375 |
335 |
309 |
12-18 |
395 |
350 |
319 |
12-22 |
405 |
355 |
319 |
12-26 |
|
300 |
178 |
222.5 |
803 |
600 |
350 |
440 |
395 |
363 |
12-22 |
445 |
400 |
370 |
12-22 |
460 |
410 |
370 |
12-26 |
|
350 |
190 |
252.5 |
866 |
600 |
350 |
490 |
445 |
413 |
12-22 |
505 |
460 |
429 |
16-22 |
520 |
470 |
429 |
16-26 |
|
400 |
216 |
282.5 |
940 |
600 |
350 |
540 |
495 |
463 |
16-22 |
565 |
515 |
480 |
16-26 |
580 |
525 |
480 |
16-30 |
|
450 |
222 |
307.5 |
995 |
750 |
380 |
595 |
550 |
518 |
16-22 |
615 |
565 |
530 |
20-26 |
640 |
585 |
548 |
20-30 |
|
500 |
229 |
335 |
1058 |
750 |
380 |
645 |
600 |
568 |
20-22 |
670 |
620 |
582 |
20-26 |
715 |
650 |
609 |
20-33 |
|
600 |
267 |
390 |
1163 |
750 |
380 |
755 |
705 |
667 |
20-26 |
780 |
725 |
682 |
20-30 |
840 |
770 |
720 |
20-36 |
|
700 |
292 |
447.5 |
1283 |
750 |
380 |
860 |
810 |
772 |
24-26 |
895 |
840 |
794 |
24-30 |
910 |
840 |
794 |
24-36 |
|
800 |
318 |
507.5 |
1398 |
750 |
380 |
975 |
920 |
878 |
24-30 |
1015 |
950 |
901 |
24-33 |
1025 |
950 |
901 |
24-39 |
|
900 |
330 |
557.5 |
1498 |
1250 |
380 |
1075 |
1020 |
978 |
24-30 |
1115 |
1050 |
1001 |
28-33 |
1125 |
1050 |
1001 |
28-39 |
|
1000 |
410 |
615 |
1608 |
1500 |
580 |
1175 |
1120 |
1078 |
28-30 |
1230 |
1160 |
1112 |
28-36 |
1255 |
1170 |
1112 |
28-42 |
|
1200 |
470 |
727.5 |
1876 |
1500 |
580 |
1405 |
1340 |
1295 |
32-33 |
1455 |
1380 |
1328 |
32-39 |
1485 |
1390 |
1328 |
32-48 |
|
公称通径 DN (mm) |
主要外形连接尺寸 |
法兰尺寸和螺栓孔尺寸 |
|||||||||||||||
|
L |
H |
H1 |
A |
B |
0.6MPa |
1.0MPa |
1.6MPa |
||||||||||
|
D |
D1 |
D2 |
n-d |
D |
D1 |
D2 |
n-d |
D |
D1 |
D2 |
n-d |
||||||
|
50 |
108 |
82.5 |
338 |
180 |
65 |
140 |
110 |
88 |
4-14 |
185 |
125 |
99 |
4-18 |
165 |
125 |
99 |
4-18 |
|
65 |
112 |
92.5 |
358 |
180 |
65 |
160 |
130 |
108 |
4-14 |
185 |
145 |
118 |
4-18 |
185 |
145 |
118 |
4-18 |
|
80 |
114 |
100 |
413 |
245 |
72 |
190 |
150 |
124 |
4-18 |
200 |
160 |
132 |
8-18 |
200 |
160 |
132 |
8-18 |
|
100 |
127 |
110 |
428 |
240 |
72 |
210 |
170 |
144 |
4-18 |
220 |
180 |
156 |
8-18 |
220 |
180 |
156 |
8-18 |
|
125 |
140 |
125 |
444 |
240 |
72 |
240 |
20 |
174 |
8-18 |
250 |
210 |
184 |
8-18 |
250 |
210 |
184 |
8-18 |
|
150 |
140 |
142.5 |
553 |
350 |
93 |
265 |
225 |
199 |
8-18 |
285 |
240 |
211 |
8-22 |
285 |
240 |
211 |
8-22 |
|
200 |
152 |
170 |
678 |
350 |
93 |
320 |
280 |
254 |
8-18 |
340 |
295 |
266 |
8-22 |
340 |
295 |
266 |
12-22 |
|
250 |
165 |
192.5 |
742 |
550 |
350 |
375 |
335 |
309 |
12-18 |
395 |
350 |
319 |
12-22 |
405 |
355 |
319 |
12-26 |
|
300 |
178 |
222.5 |
803 |
600 |
350 |
440 |
395 |
363 |
12-22 |
445 |
400 |
370 |
12-22 |
460 |
410 |
370 |
12-26 |
|
350 |
190 |
252.5 |
866 |
600 |
350 |
490 |
445 |
413 |
12-22 |
505 |
460 |
429 |
16-22 |
520 |
470 |
429 |
16-26 |
|
400 |
216 |
282.5 |
940 |
600 |
350 |
540 |
495 |
463 |
16-22 |
565 |
515 |
480 |
16-26 |
580 |
525 |
480 |
16-30 |
|
450 |
222 |
307.5 |
995 |
750 |
380 |
595 |
550 |
518 |
16-22 |
615 |
565 |
530 |
20-26 |
640 |
585 |
548 |
20-30 |
|
500 |
229 |
335 |
1058 |
750 |
380 |
645 |
600 |
568 |
20-22 |
670 |
620 |
582 |
20-26 |
715 |
650 |
609 |
20-33 |
|
600 |
267 |
390 |
1163 |
750 |
380 |
755 |
705 |
667 |
20-26 |
780 |
725 |
682 |
20-30 |
840 |
770 |
720 |
20-36 |
|
700 |
292 |
447.5 |
1283 |
750 |
380 |
860 |
810 |
772 |
24-26 |
895 |
840 |
794 |
24-30 |
910 |
840 |
794 |
24-36 |
|
800 |
318 |
507.5 |
1398 |
750 |
380 |
975 |
920 |
878 |
24-30 |
1015 |
950 |
901 |
24-33 |
1025 |
950 |
901 |
24-39 |
|
900 |
330 |
557.5 |
1498 |
1250 |
380 |
1075 |
1020 |
978 |
24-30 |
1115 |
1050 |
1001 |
28-33 |
1125 |
1050 |
1001 |
28-39 |
|
1000 |
410 |
615 |
1608 |
1500 |
580 |
1175 |
1120 |
1078 |
28-30 |
1230 |
1160 |
1112 |
28-36 |
1255 |
1170 |
1112 |
28-42 |
|
1200 |
470 |
727.5 |
1876 |
1500 |
580 |
1405 |
1340 |
1295 |
32-33 |
1455 |
1380 |
1328 |
32-39 |
1485 |
1390 |
1328 |
32-48 |