型号:D971X-10S
连接方式:对夹连接
适用温度:-40℃~140℃
阀体材质:CPVC、UPVC、PVDF、FRPP、PPH等
密封材质:EPDM、PTFE
适用介质:水、空气、油类、腐蚀性化学液体
产品概述
1. 玮控电动塑料蝶阀重量轻巧,容易安装、塑料材质耐腐蚀性强、材质卫生无毒、在环保水务行业应用广泛。适用于耐腐蚀,压力≤1mpa的场合,具有良好的耐化学腐蚀性能。
2. 电动头采用P65防水等级电动执行器、F级绝缘电机。高强度防水防尘。
3. 整体加厚,耐酸碱 抗老化。采用CPVC、UPVC、PVDF、FRPP、PPH等塑料注塑件组装成型。降低用户成本,减轻管道重要。
4. 玮控塑料阀门可替代GF、盖米、斯德宝等各类进口品牌。在废水处理、新能源客户中得到广泛使用。
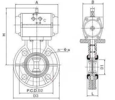
产品尺寸图

主要外型尺寸
| 通径(mm) | 英寸″ | 尺寸(mm) | |||||||||
| L | D1 | D2-ANSI | D2-JIS | D2-DIN | D3 | H | N-φm-ANSI | N-φm-JSI | N-φm-DIN | ||
| 50 | 2 | 43 | 56.5 | 120.39 | 120 | 125 | 165 | 103 | 4-19 | 4-19 | 4-18 |
| 65 | 2 1/2 | 47.5 | 70 | 139.44 | 140 | 145 | 185 | 113 | 4-19 | 4-19 | 4-18 |
| 80 | 3 | 47.5 | 79 | 152.4 | 150 | 160 | 201 | 115 | 4-19 | 4-19 | 4-18 |
| 100 | 4 | 57.2 | 103 | 190.5 | 175 | 180 | 229 | 135 | 8-19 | 8-19 | 8-18 |
| 125 | 5 | 66 | 130 | 216 | 210 | 210 | 257 | 165 | 8-22 | 8-23 | 8-18 |
| 150 | 6 | 74 | 151 | 241.55 | 240 | 240 | 285 | 177 | 8-22 | 8-23 | 8-23 |
| 200 | 8 | 87.5 | 200 | 298.5 | 290 | 295 | 343 | 210 | 8-22 | 8-23 | 8-23 |
| 250 | 10 | 110 | 255 | 362 | 355 | 350 | 411 | 240 | 12-25 | 12-25 | 12-23 |
| 300 | 12 | 129 | 311 | 432 | 400 | 400 | 490 | 297 | 12-25 | 12-25 | 12-23 |