产品概述
玮控气动三通球阀是一种三通道回转型球阀,用于介质的分流、合流及流向切换
1. 三通球阀L型流道,用于介质流向的切换,能使相互垂直的两个通道连通
2. 三通球阀T型流道,实现把三条连通管道进行合流与分流。
3. 一阀多用,任何一个管道都可以作为入口或者是出口,且零泄漏。
4. 操作方便,开闭迅速,从全开到全关只要旋转90°,便于远距离的控制。
5. 在全开或全闭时,球体和阀座的密封面与介质隔离,介质通过时,不会引起阀门密封面的侵蚀
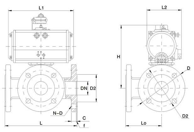
产品尺寸图


主要外形尺寸-PN16(16bar)
| 公称通径DN(mm) | 外形尺寸 | 连接尺寸 | 执行器型号 | |||||||||
| L | L0 | L1 | L2 | H | D | D1 | D2 | C | f | N-D | ||
| 15 | 150 | 72 | 141/159 | 71/83 | 204/235 | 95 | 65 | 46 | 14 | 2 | 4-14 | ATD50/ATE63 |
| 20 | 160 | 80 | 159/211 | 83/95 | 240/252 | 105 | 75 | 56 | 16 | 2 | 4-14 | ATD63/ATE75 |
| 25 | 180 | 90 | 211/248 | 95/107 | 257/265 | 115 | 85 | 65 | 16 | 2 | 4-14 | ATD75/ATE88 |
| 32 | 200 | 100 | 211/248 | 95/107 | 277/312 | 140 | 100 | 76 | 18 | 3 | 4-18 | ATD75/ATE88 |
| 40 | 220 | 110 | 248/269 | 107/123 | 292/317 | 150 | 110 | 84 | 18 | 3 | 4-18 | ATD88/ATE100 |
| 50 | 240 | 120 | 248/345 | 107/152 | 325/347 | 165 | 125 | 99 | 20 | 3 | 4-18 | ATD88/ATE125 |
| 65 | 260 | 130 | 315/409 | 141/172 | 357/389 | 185 | 145 | 118 | 20 | 3 | 4-18 | ATD115/ATE145 |
| 80 | 280 | 140 | 345/409 | 152/172 | 368/400 | 200 | 160 | 132 | 20 | 3 | 8-18 | ATD125/ATE145 |
| 100 | 320 | 160 | 409/550 | 172/215 | 410/498 | 220 | 180 | 156 | 22 | 3 | 8-18 | ATD145/ATE160 |
| 125 | 400 | 190 | 438/600 | 187/240 | 470/538 | 250 | 210 | 184 | 22 | 3 | 8-18 | ATD160/ATE210 |
| 150 | 440 | 220 | 550/633 | 215/262 | 556/591 | 285 | 240 | 211 | 24 | 3 | 8-22 | ATD190/ATE240 |
| 200 | 550 | 260 | 600/730 | 210/330 | 648/687 | 340 | 295 | 266 | 24 | 3 | 12-22 | ATD210/ATE270 |
主要外形尺寸-PN25(25bar)
| 公称通径DN(mm) | 外形尺寸 | 连接尺寸 | 执行器型号 | |||||||||
| L | L0 | L1 | L2 | H | D | D1 | D2 | C | f | N-D | ||
| 15 | 150 | 72 | 159/211 | 83/95 | 235/247 | 95 | 65 | 46 | 14 | 2 | 4-14 | ATD63/ATE75 |
| 20 | 160 | 80 | 211/248 | 95/107 | 252/260 | 105 | 75 | 56 | 16 | 2 | 4-14 | ATD75/ATE88 |
| 25 | 180 | 90 | 248/269 | 107/123 | 265/289 | 115 | 85 | 65 | 16 | 2 | 4-14 | ATD88/ATE100 |
| 32 | 200 | 100 | 248/315 | 107/141 | 287/312 | 140 | 100 | 76 | 18 | 3 | 4-18 | ATD88/ATE115 |
| 40 | 220 | 110 | 269/409 | 123/152 | 317/339 | 150 | 110 | 84 | 18 | 3 | 4-18 | ATD100/ATE125 |
| 50 | 240 | 120 | 345/345 | 123/152 | 325/347 | 165 | 125 | 99 | 20 | 3 | 4-18 | ATD100/ATE125 |
| 65 | 260 | 130 | 269/345 | 141/172 | 357/389 | 185 | 145 | 118 | 22 | 3 | 4-18 | ATD115/ATE145 |
| 80 | 280 | 140 | 315/438 | 152/187 | 400/425 | 200 | 160 | 132 | 24 | 3 | 8-18 | ATD125/ATE160 |
| 100 | 320 | 160 | 409/550 | 172/215 | 443/531 | 235 | 190 | 156 | 24 | 3 | 8-22 | ATD145/ATE190 |
| 125 | 400 | 190 | 438/600 | 187/240 | 548/583 | 270 | 220 | 184 | 26 | 3 | 8-26 | ATD160/ATE210 |
| 150 | 440 | 220 | 550/633 | 215/262 | 628/665 | 300 | 250 | 211 | 28 | 3 | 8-26 | ATD190/ATE240 |
| 200 | 550 | 260 | 600/730 | 210/330 | 695/744 | 360 | 310 | 274 | 30 | 3 | 12-22 | ATD210/ATE270 |
备注:根据不同的阀门扭矩,不同的气源压力及不同的实际工况,选择相匹配的执行器其相关外形尺寸也随之变化。