型号:D641F46-16C
连接方式:法兰连接
适用温度:-20℃~140℃
阀体材质:碳钢、不锈钢
衬氟材料:PTFE、PFA、FEP、ETFE、CETFE、PVF2
适用介质:强酸强碱、液氯,硫酸,盐酸,氟盐等腐蚀性介质
产品概述
1. 玮控气动衬氟蝶阀是主要应用在生产过程中有强酸强碱、液氯,硫酸,盐酸,氟盐等腐蚀性介质中。
2. 蝶阀阀体指关闭件(阀瓣或蝶板)为圆盘,气动执行机构通过气源控制阀轴旋转来达到开启与关闭。
衬氟蝶阀的制作工艺是在阀门过流介质中采用注塑的工艺,衬上PTFE聚四氟乙烯、PFA、ETFE等耐腐蚀、耐老化的材料,达到耐腐效果。
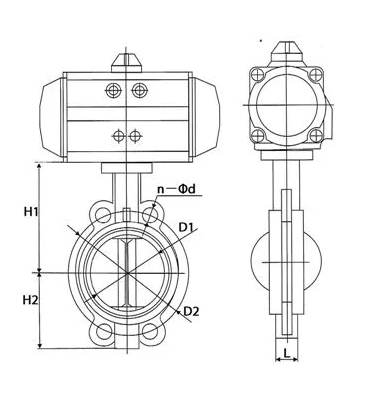
产品尺寸图

主要外形连接尺寸
| DN | L | H0 | A | B | PN6 | PN10 | PN16 | |||
| D1 | Z-Φd | D1 | Z-Φd | D1 | Z-Φd | |||||
| 50 | 43 | 306 | 180 | 200 | 110 | 4-14 | 125 | 4-18 | 125 | 4-18 |
| 65 | 46 | 321 | 180 | 200 | 130 | 4-14 | 145 | 4-18 | 145 | 4-18 |
| 80 | 46 | 346 | 180 | 200 | 150 | 4-18 | 160 | 8-18 | 160 | 8-18 |
| 100 | 52 | 387 | 180 | 200 | 170 | 4-18 | 180 | 8-18 | 180 | 8-18 |
| 125 | 56 | 411 | 180 | 200 | 200 | 8-18 | 210 | 8-18 | 210 | 8-18 |
| 150 | 56 | 447 | 270 | 280 | 225 | 8-18 | 240 | 8-22 | 240 | 8-22 |
| 200 | 60 | 572 | 270 | 280 | 280 | 8-18 | 295 | 8-22 | 295 | 12-22 |
| 250 | 68 | 646 | 270 | 280 | 335 | 12-18 | 350 | 12-22 | 355 | 12-26 |
| 300 | 78 | 738 | 380 | 420 | 395 | 12-22 | 400 | 12-22 | 410 | 12-26 |
| 350 | 78 | 761 | 380 | 420 | 445 | 12-22 | 460 | 16-22 | 470 | 16-26 |
| 400 | 88 | 877 | 450 | 470 | 495 | 16-22 | 515 | 16-26 | 525 | 16-30 |
| 450 | 107 | 938 | 480 | 490 | 550 | 16-22 | 565 | 20-26 | 585 | 20-30 |
| 500 | 127 | 993 | 480 | 490 | 600 | 20-22 | 620 | 20-26 | 650 | 20-33 |
| 600 | 154 | 1131 | 480 | 490 | 705 | 20-26 | 725 | 20-30 | 770 | 20-36 |