型号:Q641F46-16C
连接方式:法兰连接
适用温度:-20℃~140℃
阀体材质:碳钢、不锈钢
衬氟材料:PTFE、PFA、FEP、ETFE、CETFE、PVF2
适用介质:强酸强碱、液氯,硫酸,盐酸,氟盐等腐蚀性介质
产品概述
玮控气动衬氟球阀是主要应用在生产过程中有强酸强碱、液氯,硫酸,盐酸,氟盐等腐蚀性介质中。
衬氟球阀的制作工艺是在阀门过流介质中采用注塑的工艺,衬上PTFE聚四氟乙烯、PFA、ETFE等耐腐蚀、耐老化的材料,达到耐腐效果。
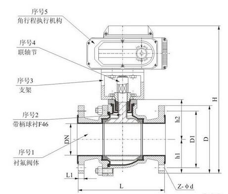
产品尺寸图

主要连接尺寸
| 公称通径DN(mm) | 主要尺寸 | 法兰尺寸 | |||||||||
| PN1.6MPa | PN2.5MPa | ||||||||||
| L | H | L1 | D | D1 | D2 | n-φd | D | D1 | D2 | n-φd | |
| 15 | 130 | 185 | 140 | 95 | 65 | 46 | 4-14 | 95 | 65 | 46 | 4-14 |
| 20 | 140 | 191 | 140 | 105 | 75 | 45 | 4-14 | 105 | 75 | 56 | 4-14 |
| 25 | 150 | 193 | 140 | 115 | 85 | 65 | 4-14 | 115 | 85 | 65 | 4-14 |
| 32 | 165 | 212 | 164 | 140 | 100 | 76 | 4-18 | 140 | 100 | 76 | 4-18 |
| 40 | 180 | 217 | 164 | 150 | 110 | 84 | 4-18 | 150 | 110 | 84 | 4-18 |
| 50 | 200 | 260 | 190 | 165 | 125 | 99 | 4-18 | 165 | 125 | 99 | 4-18 |
| 65 | 220 | 293 | 210 | 185 | 145 | 118 | 4-18 | 185 | 145 | 118 | 8-18 |
| 80 | 250 | 323 | 247 | 200 | 160 | 132 | 8-18 | 200 | 160 | 132 | 8-18 |
| 100 | 280 | 382 | 276 | 220 | 180 | 156 | 8-18 | 235 | 190 | 156 | 8-22 |
| 125 | 320 | 468 | 348 | 250 | 210 | 184 | 8-18 | 270 | 220 | 184 | 8-26 |
| 150 | 360 | 510 | 378 | 285 | 240 | 211 | 8-22 | 300 | 250 | 211 | 8-26 |
| 200 | 400 | 655 | 524 | 340 | 295 | 266 | 12-22 | 360 | 310 | 274 | 12-26 |
| 250 | 630 | / | / | 405 | 355 | 319 | 12-26 | 425 | 370 | 330 | 12-30 |
| 300 | 750 | / | / | 460 | 410 | 370 | 12-26 | 485 | 430 | 389 | 16-30 |