型号:E0P124HP
连接方式:法兰连接
适用温度:-30℃~260℃、+230℃~530℃、-196℃~45℃、-60℃~530℃
阀体材质:碳钢、不锈钢、合金钢
密封材质:不锈钢、巴氏合金
适用介质:水、空气、油类、腐蚀性化学液体
产品概述
玮控电动调节阀主要由电动执行器与调节阀阀体构成,通过接收工业自动化控制系统的信号,来驱动阀门改变阀芯和阀座之间的截面积大小控,制管道介质的流量、温度、压力等工艺参数,实现远程自动控制。
控制阀配置导向图
以上列表为直行程控制阀配置导向图,可根据箭头所示按照以满足工艺参数的要求,选取**合适的控制阀结构。
阀体形式选配
|
直通阀体 直通阀体呈S流线型通道,内壁光滑且截面相等。具有压力损失小、流量大、流动平稳等特点
|
角形阀体 角形阀体除外形为直角形外,其他与直通阀体完全通用。具有结构紧凑、流路简单、阻力小等特点。特别适用于易结焦、易堵塞、高粘度等工况 |
|
三通阀体 三通阀体分为合流、分流两种类型,主要用于比例调节或旁路调节,占据空间小,成本低。 |
Z形阀体 Z形阀体主要适用于高压工况,采用整体铸造而成,具有较好的耐压强度。内部流路简单,不易产生漩涡,回流等现象。降低高压差工况中产生闪蒸,气蚀的可能性。 |
阀盖形式选配
|
标准型阀盖 标准阀盖为常温上阀盖,阀盖材质与阀体材质完全一样。起到封闭阀体喝连接执行机构的作用。 工作温度:-30℃-260℃ |
高温型阀盖 高温型阀盖专为高温工况设计,通过散热片增大阀盖与周围空气的接触面积,起到散热作用。能有效的保护填料,以及执行机构。 工作温度:+230℃~530℃ -45℃~-5℃ |
|
低温伸长型阀盖 低温伸长型阀盖适用于低温状态下的介质(如液氧、液氮)。该类型上阀盖能有效保护填料和执行机构,标准材料是304或者316。也可根据工况采用不同膨胀系数的材料。 工作温度:-196℃-45℃ |
金属波纹管密封阀盖 金属波纹管密封阀盖适内,装有不锈钢波纹管组件,将介质与外界隔绝,并能保证阀杆作上下移动,此外在上阀盖里面仍有标准填料函,确保不会因介质外漏而造成浪费或引起环境污染。 工作温度:-60℃-530℃ |
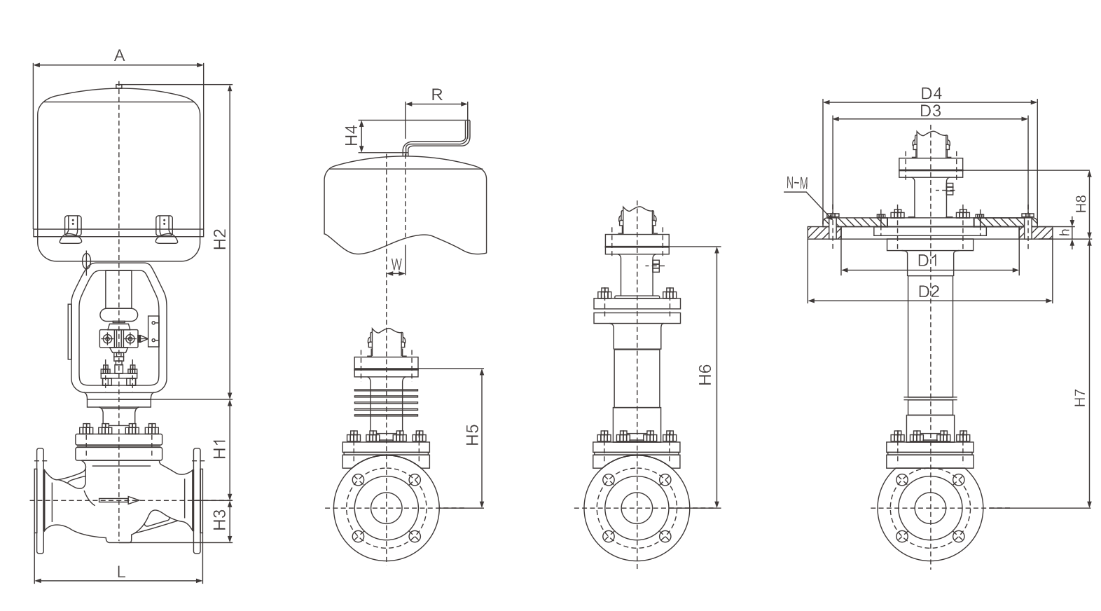
产品尺寸图
主要连接尺寸
| 公称通径(DN) | 20 | 25 | 32 | 40 | 50 | 65 | 80 | 100 | 125 | 150 | 200 | 250 | 300 | |
| L | PN16/25 | 181 | 184 | 200 | 222 | 254 | 276 | 298 | 352 | 410 | 451 | 600 | 640 | 880 |
| PN40 | 194 | 197 | 200 | 235 | 267 | 292 | 317 | 368 | 425 | 473 | 610 | 760 | 910 | |
| PN64 | 206 | 200 | 210 | 251 | 286 | 311 | 337 | 394 | 440 | 508 | 650 | 810 | 950 | |
| H | PN16/25 | 52.5 | 57.5 | 75 | 75 | 85.5 | 92.5 | 100 | 110 | 142.5 | 158 | 170 | 195 | 230 |
| PN40 | 52.5 | 57.5 | 75 | 75 | 82.5 | 92.5 | 100 | 117.5 | 150 | 167.5 | 187.5 | 205 | 245 | |
| PN64 | 65 | 40 | 85 | 85 | 90 | 102.5 | 107.5 | 125 | 172.5 | 195 | 207.5 | 230 | 260 | |
| H1 | 396 | 396 | 428 | 428 | 436 | 415 | 464 | 507 | 690 | 840 | 632 | 725 | 882 | |
| H2 | 3810L | 373 | 373 | 495 | 495 | 495 | 700 | 700 | 700 | 725 | 725 | 725 | 725 | 725 |
| PSL | 465 | 465 | 465 | 465 | 465 | 560 | 560 | 560 | 560 | 560 | 788 | 788 | 788 | |
| D | 3810L | 225 | 225 | 225 | 225 | 225 | 257 | 257 | 257 | 310 | 310 | 310 | 310 | 310 |
| PSL | 177 | 177 | 177 | 177 | 177 | 182 | 182 | 182 | 182 | 182 | 218 | 218 | 218 | |